产品快速通道

EHS6355/6375

- 产品参数:
- 产品型号: EHS6355/6375
- 额定功率:null
- 电压:null
- 风量:null
- 风压:null
- 转速/极数:null
- 安装方式:null
详细参数
双段鼓风机EHS6355/6375本产品高风压,大流量,低噪音,无油污染,品质稳定,交货快,价格合理,是您的首选! 特点: 小型.重量轻.高风压前倾式叶片设计,体积小、质量轻较有高压力之产生。低噪音新设计,能消除切风时生之高频及特昳之消音材质,大幅降低噪音比。 低震动叶片均经过电脑平衡校正与高精密的机械加工,使震动降到最低。
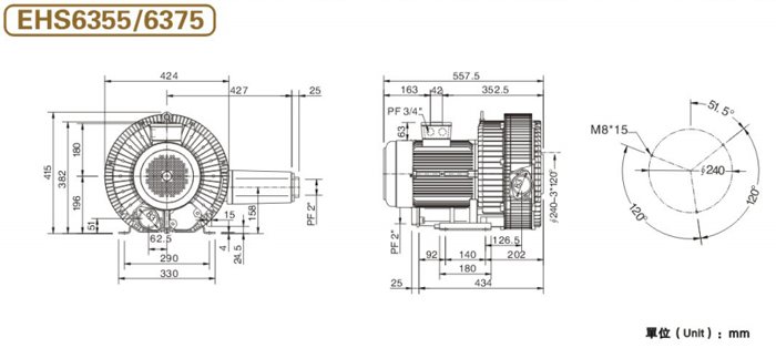
双段鼓风机EHS6355/6375产品规格:
拥有2500m3/h的大风量和80000Pa的压差,当配变频器使用后,性能还可以大幅度提高!
外形美观、重量轻巧、无油环保、噪音低、运转温度低、安装容易。
双段鼓风机EHS6355/6375产品特点:功率范围(200W-25KW)
1. 防锈保护外壳,防止水分渗入马达内部。
2. 功率足、扬程高、水量大,高效率循环。
3. 噪音低,运行宁静。
4. 泵盖具有真空密封性,防漏水性能好。
5. 吸污能力强,隔发器容污物量大。
6. 水泵的主要部件是由耐高、低温的特殊塑料制成,持久耐用。
7. 操作方便,维修容易,有零配件供应。
双段鼓风机EHS6355/6375使用范围:
适用于大型泳池及按摩浴池、喷水织机配套、切纸机、卷烟滤嘴成型机、电镀槽液搅拌、雾化干燥机、水处理曝气、丝网印刷机、照相机制版、注塑机自动上料、烘干机、液体灌装机、电焊设备、电影机械、纸张运送、干洗衣服、清洗、空气除尘、干瓶、气体传送、送料、收集等方面。
使用须知:
1. 须将风泵置在高于水平面干燥通风处。
2. 分气头安装位置必须高于浴池的使用水位,防止水进入风泵。
3. 风泵的连接管必须采用耐热管(大于100摄氏度不变形)。
4. 风泵必须固定安装,连接管必须匝紧。
5. 为防止触电事故,风泵必须可靠接地。
6. 不能堵住出风口运转,出风量过小时风温会升高注意防止烫伤,检查风泵时必须断开风泵电源。