产品快速通道

蜗轮蜗杆减速机JRSTED系列

- 产品参数:
- 产品型号: JRSTED
- 额定功率:可匹配0.18KW~15KW
- 电压:null
- 转速/极数:null
- 减速比:1/7.5-1/100
- 安装方式:null
详细参数
蜗轮蜗杆减速机JRSTED系列为双级蜗杆减速机,蜗轮蜗杆减速箱下置,上方多一减速机,带法兰盘。为了达到更大的减速比,才采用这样的双连体结构。蜗轮蜗杆减速机JRSTED系列具有承载能力高、传动效率高、传动比大、结构紧凑等特点,主要应用于冶金、矿山、起重、运输、化工、建筑、建材、轻工等工业。
WP系列蜗杆减速机:产品规格40~250;传动比单级10~60,双级200~900;输入功率0.12~33.2KW;输出转矩6~6050N?m。共60大系列20000余种不同的规格、传动比、联接和安装方式可供选用。
JRST系列多置式蜗杆减速机:产品规格25~150;传动比单级7.5~100,双级300~5000;输入功率0.06~15KW;输出转矩7~1788N?m。共10大规格22000余种型式、传动比、联接、安装方式可供选用。
JRSS系列蜗轮丝杆升降机:产品规格35~150;传动比5~40;输入功率0.19~16.3KW;起升力500~26050kg。共10大规格280余种型式、传动比、联接、安装方式可供选用。
蜗轮蜗杆减速机JRSTED系列安装维护说明:
一:安装
1:减速机入力轴直接与马达连接时,应采弹性连轴器,出力轴直接与工作机连接时,宜采用齿轮连轴器。
2:减速机应安装在稳固的基础座,且须注意空气流通及换油时,注油及洩油之方便性。
3:减速机入力轴及马达出力轴之中心必须对准确,误差不得大于所用连轴器之允许值。
4:减速机安装后,用手转动需灵活,不可有卡死现象。
5:减速机安装好,使用前应先进行空负荷运转,确定机器各部分都无异状后,方可正式使用,如有故障应先排除。
如对安装方式不够了解还可参考:齿轮减速机外壳安装方式和遵循的原则
二:润滑。
1. 新减速机使用时,在运转300小时后,需要换新油,其后每使用2500小时需换油;但在使用过程中仍应定期检查油的质量,若油有杂质,老化,变质情况,必须随时更换。
2. 减速机应使用固定品牌,号码之齿轮油,不应将不同品牌,号码或不同类型的油相混合使用。
3. 在换油过程中,应先将减速机内部清除干净,再注入新油。
4. 在使用期间,当发现油温过高(超过80。C以上)时,以及有不正常的噪音等现象,应立即停止使用,对其原因进行检查。等排除故障或更换润滑油后,才可以继续使用。
5. 推荐用油:ISO HD—460极压机油或中油HD—320之极压机油,或中油90#多效齿轮油。
三:维护
1. 减速机应定期检修,发现异状或有显著磨损,必须立即采取有效措施制止,使用零件之材质,精度亦须按照标准制造。更新零件手,应先进行空负荷运转,确定正常后再正式使用。
2. 使用单位应建立合理的维护制度,封减速机的使用状况及检修中发现的问题做仔细记录。
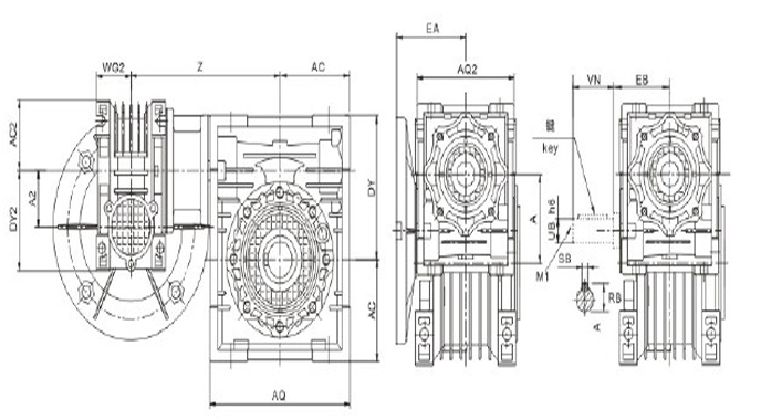
蜗轮蜗杆减速机JRSTED系列图纸及详细参数: