产品快速通道

蜗轮蜗杆减速机JRSTB系列

- 产品参数:
- 产品型号: JRSTB
- 额定功率:可匹配0.18KW~15KW
- 电压:null
- 转速/极数:null
- 减速比:1/7.5-1/100
- 安装方式:null
详细参数
蜗轮蜗杆减速机JRSTB系列带入力轴,双入力轴。(如需要单入力轴减速机在购买时请联系公司客服。)为典型的箱体结构,也叫蜗轮蜗杆减速器或蜗轮蜗杆减速箱。
具有蜗轮蜗杆减速机JRSTB系列所介绍的全部性能、特点之外,多置式蜗杆减速机还具有以下独特优点:
1、箱体由优质铝合金压铸而成,外形新颖、轻巧、光洁、美观。
2、设计结构紧凑、体积小,重量轻,占用安装空间小。
3、箱体外形设计及底脚孔设置布局适应多种安装方式,具有动力输入及转矩输出的多钟联接结构,满足各种连接需要。通用性很强。
4、箱体四壁布满众多薄片,散热性能好。
5、箱体为全封闭结构,密封性强。箱体内润滑油不易损耗变质,不需更换,便于维护保养,
蜗轮蜗杆减速机JRSTB系列使用注意事项:
1 :使用前应注意检查减速机型式结构、中心距规格、传动比、输入轴联接方式、输出轴结构、输入轴输出轴轴指向和回转方向等是否符合使用要求,蜗杆输入转速最高不宜超过2000r/min。一般使用范围为600-1800r/min.
2 :开机时应逐步施加载荷,不能满载起动。
3 :型号25-90减速机仅设加油孔.出厂时减速机内已加好ISO VG320合成润滑油。用户无需加油.机器连续运转约10000小时后,应该更换新润滑油。
4 :型号110-150减速机设有加油孔、放油孔和油标,减速机内已加ISO VG460矿物润滑油,用户在使用前须拉掉通气器上的栩胶环。首次运行500小时后更换新油.以后每隔约5000小时换油一次。
5 :减速机允许最高油温为95,超过时应停机检查。
6 :若减速机使用环境温度超过或低于表中规定使用环境温度
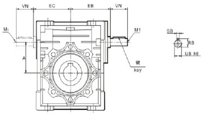
蜗轮蜗杆减速机JRSTB系列详细参数及图纸: