产品快速通道
TX鼓风机

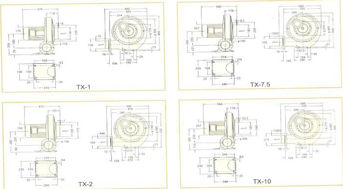
- 产品参数:
- 产品型号: TX鼓风机
- 额定功率:null
- 电压:null
- 风量:null
- 风压:null
- 转速/极数:null
- 安装方式:null
详细参数
TX鼓风机特点1:小型重量轻,高风压。前侧式叶片设计,体积小,质量轻且较有高压力之产生。
2:低噪音,能消除切风时产生之高频及特殊之消音材质。大幅降低噪音比。
3:低震动,叶片均经过电脑校正兴高精密的机械加工,使震动降到最低 
2:低噪音,能消除切风时产生之高频及特殊之消音材质。大幅降低噪音比。
3:低震动,叶片均经过电脑校正兴高精密的机械加工,使震动降到最低
1.高压、大风量、低噪音、轻量化。
2.采用铝合金材质,大幅降低重量,达到轻量化的目的。
3.马达为I.E.C设计(1HP以上),全闭外扇型铝框马达,特殊轴心设计,可适合长时间使用。
4.特殊叶片设计,压力高,风量大,噪音低,寿命长。
5.特殊风量调节风门,风量控制稳定性高,操作容易 (CX.TB.HYB适用)。
6.样式种类齐全,库存多,交货迅速。





粤ICP备11012611号
