产品快速通道

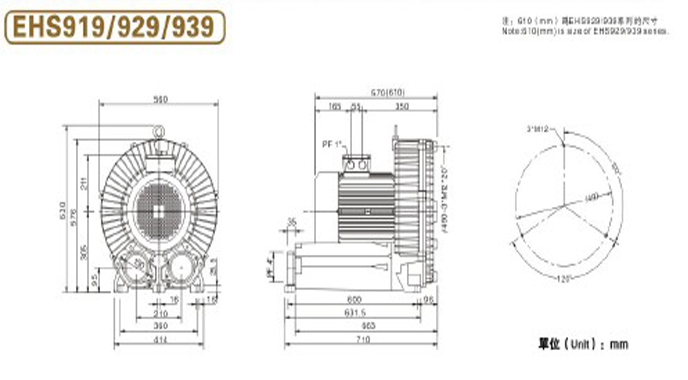
EHS919/929/939

- 产品参数:
- 产品型号: EHS919/929/939
- 额定功率:null
- 电压:null
- 风量:null
- 风压:null
- 转速/极数:null
- 安装方式:null
详细参数
单段鼓风机EHS919/929/939风机:高压鼓风机,高压风机,鼓风机,风泵,侧流风机,,真空泵,旋涡气泵,单段高压风机,双段高压风机,三段高压风机,风机,测流式高压风机。
1.安装容易
高压鼓风机配备齐全,可随时安装与使用,供压缩空气或用于抽真空,也可任意安装于水平或垂直的方向。
2.可靠性高
与其他厂牌做比较时,在高压力的范围堪称一枝独秀。因此当使用情况变化时,机器仍可安全运转。除了叶轮之外,高压鼓风机没有其他动作,因此可靠性之高几乎免维修。设计卓越的高压鼓风机使用独一无二且散热良好的精密外侧轴承,因此它具有下列优点:高压缩比;轴承运转温度低;润滑油脂寿命长;保养容易。
3.低噪音
高压风机低噪音马达直接运转,在加上一体式的销音设施,因此噪音极低。
4.无油无污染
叶轮旋转时,不与任何部分零件接触,免润滑,因此可保证百分之百无污染。
5.最高品质
以高压风机公司专业制造经验,最精密机械设计加上慎重电机配合标准仪器测试,使用所有零件均能达到最高品质要求,运用标准IP54,F级与马达效率高,故障极少,马达与鼓风机之间有轴封分离,预防异物进入。同时为确保功能效果,每一台鼓风机在出厂前均经过严格测试。
6。型号规格齐全:功率:0.2KW-25KW 风量:40立方/小时~1134立方/小时
风压:50mbar~1000mbar 電壓:萬國電壓50HZ/60HZ(220V-380V-415V)特殊电压可订做!
7.鼓风机已通过质量认证,可随时出口到国外。
适用行业;燃烧降氧机、卷烟滤嘴成型机、电镀槽液搅拌、雾化干燥机、水处理曝气、水产养殖、丝网印刷机、照相制版机、注塑机、自动上料烘干机、液体灌装机、粉末灌装机、电焊设备、纸张运送、干洗衣服、清洁用途、空气除尘、干瓶、气体传送、送料、收集、环保水处理、中央集尘环境保护、水产养殖、丝网印刷、电镀、除尘、食品、包装燃烧降氧机、卷烟滤嘴成型机、电镀槽液搅拌、雾化干燥机、